Sign In | Join Free | My portofva.com
China Xi'an Kacise Optronics Co.,Ltd. logo
Xi'an Kacise Optronics Co.,Ltd.
Kacise, understanding your automation needs.
Verified Supplier

8 Years

Home > Fluid Level Meter >

KUM-2601 External Type Liquid Level Gauge For Accurate Level Measurement

Xi'an Kacise Optronics Co.,Ltd.
Trust Seal
Verified Supplier
Credit Check
Supplier Assessment
Contact Now

KUM-2601 External Type Liquid Level Gauge For Accurate Level Measurement

Brand Name : KACISE

Model Number : KUM-2601

Certification : CE

Place of Origin : CHINA

MOQ : 1PCS

Payment Terms : L/C, D/A, D/P, T/T, Western Union, MoneyGram

Supply Ability : 1000 Piece/Pieces per Week negotiable

Delivery Time : 5-8 work days

Packaging Details : each unit has individual box and all boxes are packed in standard packages or customers requests available

Measuring Range : 3m, 5m, 10m, 15m, 20m, 30m, 50m

Display Resolution : 1mm

Error : ±1‰FS、 ±2‰FS、 ±5‰FS

Temperature Range -45℃~+100℃ : -45℃~+100℃

Protection : IP65, IP67

Contact Now

KUM-2601 External type liquid level gauge

Product Overview

KUM2601 Non-intrusive level gauge (hereinafter referred to as level gauge) is a kind of instrument developed by our company, which uses sonar ranging principle to measure liquid level inside of the container from the outside (bottom) of the container. This product realizes complete isolation measurement.

The liquid level gauge breaks the traditional installation method of open tank contact, and realizes the real non-contact measurement of liquid level height in sealed container. Sonar sensor (probe) is installed directly below the outer wall of the vessel under test (bottom). It does not need to open a hole in the vessel under test. It is easy to install and can be installed without stopping production. It can accurately measure the liquid levels of various toxic substances, strong acids, alkalis and various pure liquids in high temperature and high pressure sealed containers.

Technical Parameters

Non-Intrusive Level Gauge Two-wire Four-wire
Measuring Range 3m, 5m, 10m, 15m, 20m, 30m, 50m
Display Resolution 1mm
Short-Term Repetition 1mm
Error ±1‰FS, ±2‰FS, ±5‰FS
Temperature Range -45℃~+100℃
Accuracy 1℃
Output 4~20mA (Maximum load 500Ω), HART,Modbus
Power Supply DC24V (22V~36V) DC24V (18V~30V)
Power < 1 W < 1 W
Communication RS-485,Infrared, HART,Modbus
Relay Alarm Output AC 250V 5A, DC 30V 5A
Ambient Temperature Host -40℃~+80℃
Ambient Temperature Display -20℃~+70℃
Ambient Temperature Sensor -50℃~+100℃
Ambient humidity (0%~95%)RH
Explosion-proof ExdⅡCT6
Protection IP65, IP67
Display 128×64 LCD
Blind Area < 30mm Under ideal working conditions
Electrical Interface M20X1.5 (F), 1/2 NPT (F)
Cable Length 5m, optional
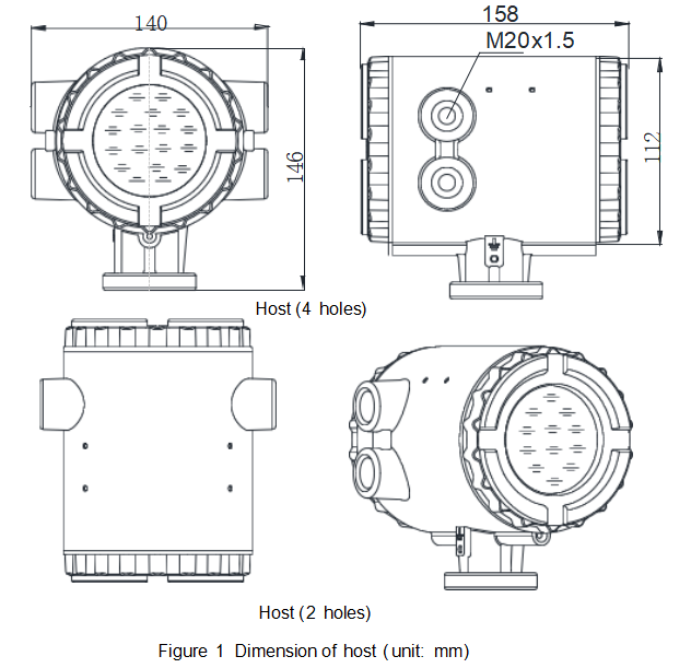
Host size / weight 158mmx122mmx148mm, 2kg, base hole dia M5

Level Gauge Dimension

Host Dimension

KUM-2601 External Type Liquid Level Gauge For Accurate Level Measurement

Sensor Probe Dimension

KUM-2601 External Type Liquid Level Gauge For Accurate Level Measurement

Installation diagram

horizontal tank

KUM-2601 External Type Liquid Level Gauge For Accurate Level Measurement

vertical tank

KUM-2601 External Type Liquid Level Gauge For Accurate Level Measurement

Ball Tank

KUM-2601 External Type Liquid Level Gauge For Accurate Level Measurement

Production Flow

KUM-2601 External Type Liquid Level Gauge For Accurate Level Measurement

Packaging & Shipping

KUM-2601 External Type Liquid Level Gauge For Accurate Level Measurement

Company Information

KUM-2601 External Type Liquid Level Gauge For Accurate Level Measurement

Xi'an Kacise is certified by ISO 9001-2008, GJB 9001B-2009, CE, intrinsic safety explosion-proof and isolated safety explosion-proof, etc. which assure our products are conform to the international standards.

We have been specializing in manufacturing pressure, level and flow measuring instruments and related products for 10 years. We have experienced technical and management personnel, through the efforts of our entire staff, we have become a professional measuring instrument manufacturer and solution provider. And we are continuously trying to improve product quality.

Currently, Kacise sensor is already exported to America, Spain, Australia, Chile and 20 other countries and regions, and received many favorable feedbacks. Our overseas distributers are also increasing. We regards “reasonable prices, efficient production time and good after-sales service” as our tenet, and hope to cooperate with more customers for mutual development.

Our Services
  • Your inquiry will be replied in 24hours.
  • Well-trained and experienced staffs to answer all your enquires in fluent English.
  • OEM&ODM, we can help you to design and your request will be put into product.
  • Distributorship are offered for your unique design and some our current models.
  • Protection of your sales area, ideas of design and all your private information.
  • Discounts are offered based on order quantities.
Feedback

KUM-2601 External Type Liquid Level Gauge For Accurate Level Measurement

FAQ

1. Q: What information need to be provided to choose the suitable model KUM-2601 External type liquid level gauge?

A: Please provide us:Range, medium, temperature, tank type (horizontal tank, vertical tank, spherical tank, etc.)so we can choose model and quote for you quickly.

2. Q: Are you a trade company or a manufacturer?

A: We are an ISO approved manufacturer specialized in level and flow measuring instruments.

OEM & ODM service are available. Welcome to visit us.

3. Q: What is your MOQ?

A: To start our cooperation, sample order is acceptable.

4. Q: What is your delivery date?

A: The delivery date is about 3-15 working days after receipt of payment.

5. Q: What is your payment terms?

A: We support T/T, PayPal and Trade Assurance.

For mass production order, it is 30% deposit in advance and 70% balance before shipment.

6. Q: What is Trade Assurance payment method:

A: It’s a free service which can protect your orders from payment to delivery.

And we now have USD104,000.00 of caution money to assure your orders.

7. Q: Do you have a warranty?

A: Yes, we have the warranty of 12 months.


Product Tags:

External Type Liquid Level Gauge

      

Wide Temperature Range Liquid Level Gauge

      

Accurate Level Measurement Liquid Level Gauge

      
China KUM-2601 External Type Liquid Level Gauge For Accurate Level Measurement wholesale

KUM-2601 External Type Liquid Level Gauge For Accurate Level Measurement Images

Inquiry Cart 0
Send your message to this supplier
 
*From:
*To: Xi'an Kacise Optronics Co.,Ltd.
*Subject:
*Message:
Characters Remaining: (0/3000)